物件ID:192156
情報公開日:2026年02月18日
情報更新日:2026年02月18日
立地
-
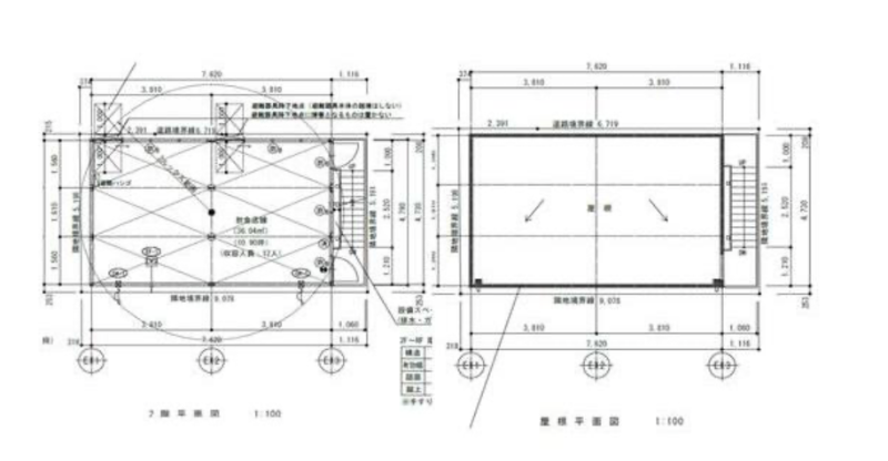
住所 神奈川県横浜市中区宮川町二丁目31 建物名/所在階 マガザン野毛Ⅱ 5号棟2F/2階 最寄駅 JR根岸線桜木町駅
徒歩5分近隣駅1 ー 近隣駅2 ー
費用/契約
-
造作価格 ー 賃料(坪単価) 385,000円(35,314円) 管理費/共益費(坪単価) ー(ー) 保証金/敷金 3ヶ月 / ー 償却 0% 礼金 0ヶ月 更新料/再契約料 ー その他費用 指定の保証会社要加入 火災保険加入 仲介手数料 1ヶ月 その他手数料 ー 契約期間 3年 契約種別
用途
-
物件の現況 ー 可能用途 指定あり 坪数 10.90坪
- 備考
- 2階は屋上が使用できます。




















